Magazijn robot
Magazijn robot
  • HOME
  • Project 1
  • Project 2
  • Project 3
  • Project 4
  • Project 5
  • Uitleg Servo
  • Uitleg ATiny en Nmos
  • Uitleg LDR en Kantelschakelaar
  • Uitleg weerstanden en LEDjes
  • Pull Up / Pull Down weerstanden
  • Vordering Magazijn robotje
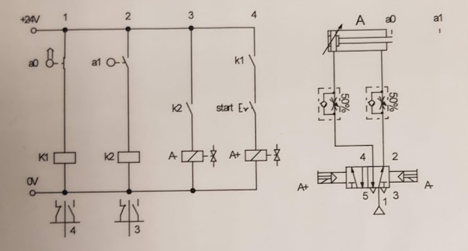
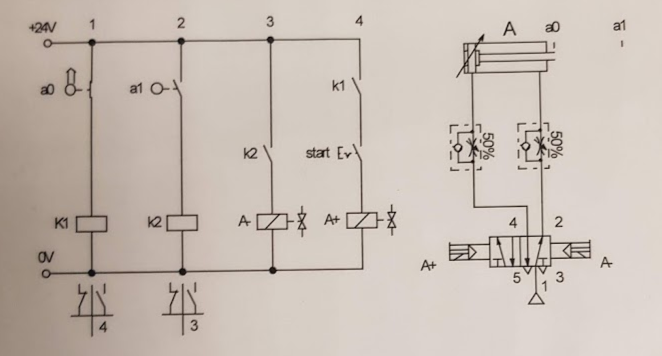
  • WTC Tekeningen 11
  • WTC Werktekeningen 11
  • WTC Tekeningen 12
  • WTC Werktekeningen 12
  • WTC tekening koffie schroefje
  • WMCP
  • WTC (spookje, pakking)

Maak jouw eigen website met JouwWeb

© 2020 - 2026 Magazijn robot
Powered by JouwWeb